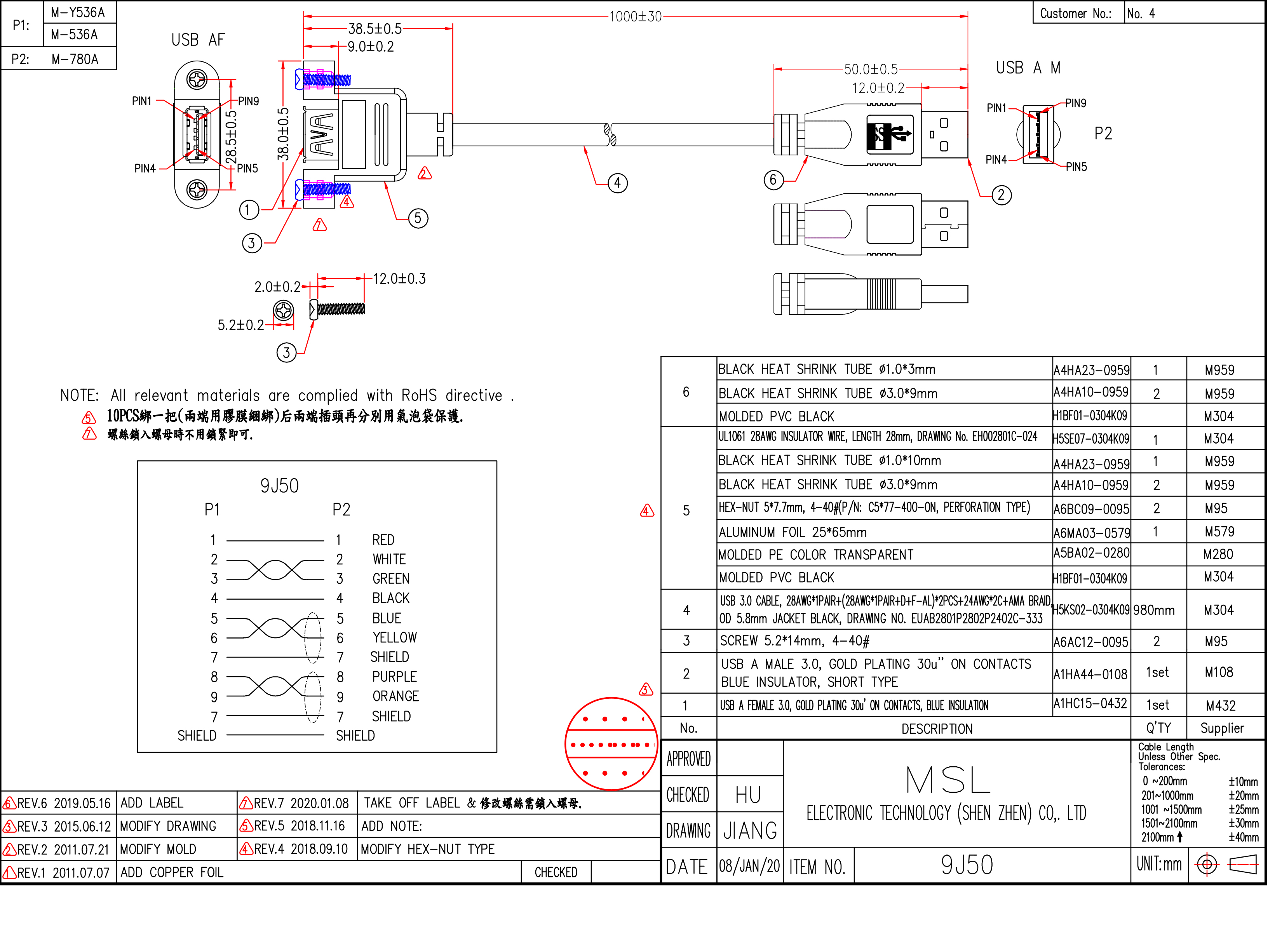
| Line number | 9J50 |
|---|---|
| length | 1FT - 10FT |
| Wire specification | USB3.0 #28+#28+#24 OD5.8 (EUAB2801P2802P2402C-333) |
| colour | black |
USB 3.0

Reviews
(0)
(0)
(0)
(0)
(0)
0
0 Reviews
WRITE A REVIEW

